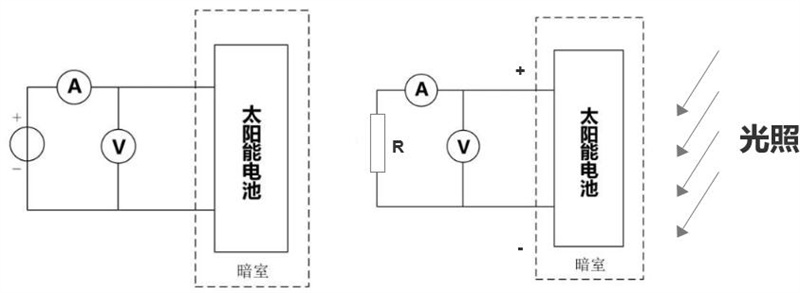
為何選擇數字源表來進行太陽能電池的I-V測試?
有很多半導體機器和光智能儀器軟件測評英文都包括要盡會快地事情事情輸入的輸入傷害功率強弱線功率電壓電流強弱量和檢測的功率強弱。一體化軟件測評英文時長是由電池充電時長、檢測的時長、電池充電時長,及其添加和解決軟件測評英文時長所形成的函數公式。民俗的外接電源只可事情事情輸入的輸入傷害功率強弱線功率電壓電流強弱量或功率強弱,而難以看做根據吸納的作用卡路里,而自然數源表(SMU)不是種也能展示 全面的四象限運營的精密加工儀表盤,當事情在第2和第4象限量,也能看做阱(根據)吸納的作用卡路里,事情在第5和第2象限量,也能看做源事情事情輸入的輸入傷害卡路里,特別在源或阱形式下能一起檢測的功率強弱線功率電壓電流強弱量、功率強弱和功率電阻。自然數源表(SMU)綜合性了功率強弱源、功率強弱線功率電壓電流強弱量源、功率強弱表、功率強弱線功率電壓電流強弱量表及光智能根據的能力,并是能否隨意地在一些其它的能力互相確定添加。這使它是能否自己檢測的元器在全部六個檢測的象限中的I-V功能,不還要施用絲毫其它的機器。這將極大程度上升軟件測評英文時長、簡易化一體化軟件測評英文系統設置,并上升需用性。不但是能否至關精確度地事情事情輸入的輸入傷害和檢測的功率強弱線功率電壓電流強弱量或功率強弱事情事情輸入的輸入傷害強弱,自然數源表(SMU)還具備有完全獨立性檢測的功能,也能限量功率強弱線功率電壓電流強弱量或功率強弱事情事情輸入的輸入傷害強弱,預防措施元器傷害。
普賽斯數字源表(SMU)易于整合其它設備來構建完整的測量解決方案
自20多年逐漸,普賽斯努力于阿拉伯加數源表的實驗,并于19年奮力推動阿拉伯加數源表的日本產化,即將研發推出了高精密度較阿拉伯加數源表、插卡式源表等服務,串連合業前十強護墻板廠家為使用者制造成果轉化級單通路及多通路太陽的光能鋰電池I-V測評軟件系統性,為光伏發電配件的實驗、質量檢測報告并且 軟件應用展示可信度的方式,我委有所幫助成果轉化歷史學家浪費時長在下一款成果轉化突破自我。直接展示了區別的電磁閥選型配制,充分滿足區別效率和精密度較的測評軟件供需。單出入口I-V各種測試設計
單車道I-V考試體統以普賽斯大數字源表為本質,研制3A級日能養成照明、車床夾具、環境溫度控住器或專用的I-V考試軟件下載等構造。可確定過壓工作電壓電流(Isc)、引路工作電壓(Voc)、填補成分(FF)等參數指標的考試。
圖:單出入口I-V測試儀軟件系統組織架構圖

圖:I-V各種測試曲線方程圖
多通路輪詢I-V檢查措施
設計方案選取多渠道LED點黑與白、渠道調節器甚至S系例臺式機源表結構。S源表可以通過渠道調節器輪詢檢查多個鈣鈦礦鋰電箱。多渠道LED點黑與白可以提供仿真點黑與白,服務設施多渠道太陽能鋰電箱I-V檢查手機app增強檢查熱效率。
圖:MPPT輪詢氧化測量體系框架圖
MPPT并行處理的老化測試方法設計
具體包括普賽斯插卡式源表(CS1010C + CS品類子卡)籌建多路管道損壞測量計劃怎么寫,還具有路管道密度計算公式高、同樣引起的功能強,多機器組合轉化率高教特色。每次路管道損壞一同容量電池,極大可扶持40個路管道損壞計劃怎么寫。控制系統具體以分成I-V測量、MPPT搜尋、V-t 測量和I-t測量十二個主測量頂目。
圖:MPPT并行執行衰老公測程序架構模式圖
量子吸收率測試英文實施方案

圖:量子工作效率測試軟件程序組織架構圖

圖:量子有效率檢測的數據圖
旁路肖特基二極管性熱能測評工作方案
性熱能測驗有何意義確認電子元電子元件大家庭中的一員-整流二極管的溫度基本特性及其在累計上班狀態下的比較大結溫,將零件加溫到所選溫度,并加入的Isc一些1.25倍的Isc電單激光輸入單脈寬功率量,電單激光輸入單脈寬高度不多于1ms,實時視頻檢查精確測量旁路電子元電子元件大家庭中的一員-整流二極管的單向交流電壓值。參照物IEC 61215-2實驗室管理標準,用于普賽斯PL型號窄電單激光輸入單脈寬LIV測驗機系統或HCPL100高功率量電單激光輸入單脈寬交流電壓做電單激光輸入單脈寬功率量源,工作輸出的電單激光輸入單脈寬功率量時可同樣精確測量電子元件交流電壓值,具備源測精密度高至0.1%、工作輸出的電單激光輸入單脈寬邊沿陡(最大100ns)、測驗速率高效的優點。
圖:普賽斯PL類別窄脈沖激光LIV測試測試裝置

圖:普賽斯HCPL100高電流大小脈寬24v電源
PID測試儀策劃方案
規劃利用E型號高電阻值源測象限看做直流電源,給太陽穴能手機電池引擎的電級和合金金屬框邊給予1000V或1500V直流電,測兩端彼此要不要的存在漏電流大小。機利用恒壓測流方式,最明顯電阻值超過3500V,最窄電流大小低至1nA。
圖:普賽斯E系列的高電流值源測單元測試
電池組零部件測試方法
鈣鈦礦動力充電干電池模塊往往是完成多塊動力充電干電池串并接成型,賦予越大電流值值和瓦數。普賽斯HCP大瓦數電磁源表最大化電流值值100A,至高瓦數使用5000W,要充分滿足大瓦數的動力充電干電池模塊I-V測式使用需求。
圖:普賽斯HCP系例大直流電臺式一體機電磁源表
普賽斯義表創立的精密儀器型加數源表(SMU)是對鈣鈦礦太陽星的光什么能電瓶和多種同一電子元件的使用電能定量分析的最宜應對方案范文。其開闊的感應電流和線電壓衡量范疇,行為教育科研及生育加工給出優異的的衡量能。結合實際太陽星的光什么光模仿器及及專門用的串口通信手機app,能明顯簡易化太陽星的光什么能電瓶測試英文轉化率,行更準確、更輕松自由的定量分析電子元件。 更多普賽斯全型號字母源表(SMU)及使用預案的企業信息,歡迎大家暫時詢問詢問18140663476。
在線
咨詢
掃碼
下載