一、氮化鎵的發展與前景
5G、6G、衛星影像通訊技術應用技術應用、微波加熱通訊技術應用統計將引來半導體板材芯片板材技術應用板材大創新性的改變,跟隨著數據通訊頻段向低頻率轉化,通訊技術應用基站和通訊技術應用技術應用機械所需可以支持低頻率耐磨性的rf頻射智能網絡設備元元件。與Si基半導體板材芯片板材技術應用相較于,作其一代半導體板材芯片板材技術應用的代表會英文,GaN具備著高智能網絡設備轉化率、飽和智能網絡設備時速和穿透交變電場的好處將計劃經濟體制凸現。正值相應好處,以GaN為代表會英文的其一代半導體板材芯片板材技術應用板材和智能網絡設備元元件因樣板工程的持續臨氫低壓及低頻率特質,被我認為是電力公司智能網絡設備和微波加熱通訊技術應用rf頻射技術應用的體系化。 如今GaN技藝的逐漸成長,歐洲展開將GaN輸出元器向外太空飛船APP括展,充沛充分調動寬禁帶半導體機械設備原材料為根基的GaN元器的僵板優劣勢,做出克重更輕、功能表更強硬的外太空飛船APP的光網上機械設備。基于Yole Development 的調研會數據資料顯示信息,2030年全球最大GaN輸出股票整個市面經營規模約為4六百萬美金,開展2026年大約13億美金,2020-2026年CAGR有機會達到70%。從境內看,GaN是日前能時改變中頻、科學規范、大輸出的指代性元器,是撐起、“新工程的建設”的建設的重中之重本質網上元集成電路芯片,能有效的“雙碳”關鍵改變,促進改革深綠綠色環保未來十年發展,在5G基站天線、新能量筆記本充電站等新工程的建設指代下類有所作為APP。如今我國國內政策文件的促進改革和股票整個市面的消費需求,GaN元器在“快充”歷史背景下,有機會隨中國有經濟條件的恢復和消費光網上巨大的的部分股票整個市面而反復破圈。未來十年,如今新工程的建設、新能量、新消費等范疇的持繼積極推進,GaN元器在境內股票整個市面的APP必然突顯高速 上漲的趨勢。

二、氮化鎵器件工作原理
非常典型的GaN HEMT元器件封裝設備構造的有以下圖表達,從上向下從左到右都為:柵極、源極、漏極端天氣子、介電層、勢壘層、緩沖區層、并且 襯底,并在AlGaN / GaN的打交道面行成異質結設備構造的。仍然AlGaN材質享有比GaN材質更寬的帶隙,在實現均衡性時,異質結界卡面搭界處還能帶產生內彎,引致導帶和價帶的不累計,并行成兩個角形型形的勢阱。海量的網上癥瘕在角形型狀況阱中,難于不可逾越至勢阱外,網上的雙重活動被減少在你你這個介面的薄層中,你你這個薄層被稱作為二維網上氣(2DEG)。 當在網上元配件的漏、源兩端增加電阻值VDS,溝道內帶來橫縱磁場。在橫縱磁場影響下,二維網上氣沿異質陰陽師小僧面完成傳送數據,轉變成內容所在瞬時工作電流IDS。將柵極與AlGaN勢壘層完成肖特基了解,順利通過增加多種規格的柵極電阻值VGS,來掌握AlGaN/GaN異質結中勢阱的長度,該變溝道中二維網上氣容重,若想掌握溝道內的漏極內容所在瞬時工作電流解鎖與關斷。二維網上氣在漏、源極增加電阻值時可高效地電荷轉移網上,有著很高的網上轉遷率和導電性,她是GaN網上元配件都可以有著優厚穩定性的地基。

三、氮化鎵器件的應用挑戰
在微波射頻功放機程序中,瓦數按鈕配件并不是需要耐受力長期性保持段高的額定電壓應力應變,而對于GaN HEMT現階段其非常好的的耐高的額定電壓本事和超快的按鈕快慢可能將一致的額定電壓行政級別的24v電源程序推入極高的速度。但有在高的額定電壓應運下一款 情況嚴重被限GaN HEMT耐磨性的狀況也是額定電壓交流電大小量倒塌的情況(Current Collapse)。 額定電壓交流電大小量倒塌又說作情況導通功率電阻器萎縮,即配件直流額定電壓公測時,遭到強磁場的經常突破后,趨于穩定額定電壓交流電大小量與最大化跨導都顯現下調,域值的額定電壓和導通功率電阻器有增長的調查的情況。倘若,需用于激光脈沖造成的公測的途徑,以添加配件在激光脈沖造成的崗位模型下的最真實自動運行壯態。研發表層,也在檢驗脈寬對額定電壓交流電大小量所在本事的印象,脈寬公測范圍圖擴大0.5μs~5ms行政級別,10%占空比。

另外,由于GaN HEMT器件高功率密度和比較大的擊穿電場的特性,使得該器件可以在大電流大電場下工作。GaN HEMT工作時,本身會產生一定的功率耗散,而這部分功率耗散將會在器件內部出現“自熱效應”。在器件的I-V測試中,隨著Vds的不斷增大,器件漏源電流Ids也隨之上升,而當器件達到飽和區時Ids呈現飽和狀態,隨著Vds的增大而不再增加。此時,隨著Vds的繼續上升,器件出現嚴重的自熱效應,導致飽和電流隨著Vds的上升反而出現下降的情況,在嚴重的情況下不僅會使器件性能出現大幅度的下降,還可能導致器件柵極金屬損壞、器件失效等一系列不可逆的問題,必須采用脈沖測試。


四、普賽斯GaN HEMT器件高性能表征方案
GaN HEMT配件耐熱性的監測,一半收錄冗余特點規格值測驗(I-V測驗)、幾率形態(小無線信號S特點規格值測驗)、工作功率形態(Load-Pull測驗)。冗余特點規格值,也被稱做直流額定電壓特點規格值,是用以監測半導配件耐熱性的基礎框架測驗,也是配件運行的核心原則。以閾值法額定電壓Vgs(th)加以分析,其值的面積對研發部門工作人員定制配件的驅使電路設計具備有核心的訪談提綱寓意。 靜止變量測試步驟,基本上是在元配件相對的接線端子上添載工作電容也許感應交流電,并測試其相對規格。與Si基元配件有所不同的是,GaN元配件的柵極閥值工作電容較低,也要添加-壓。普通的靜止變量測試規格有:閥值工作電容、穿透工作電容、漏感應交流電、導通電容、跨導、感應交流電倒塌調節作用測試等。

圖:GaN 輸出精度性質直線擬合(主要來源地:Gan systems) 圖:GaN導通阻值直線擬合(主要來源地:Gan systems)
1、V(BL)DSS擊穿電壓測試
損壞輸出功率,即元器源漏兩端范圍英文經受的功率的明顯輸出功率。針相對電源線路設置者來說,在選元器時,并不是所需預埋有一定的空間,以提高元器能經受某個電路中已經經常出現的浪涌輸出功率。其測試技術為,將元器的柵極-源非常短接,在功率的的漏電流因素下(針相對GaN,應該為μA行政級別)測試元器的輸出功率值。
2、Vgsth閾值電壓測試
閥值輸出功率,是使集成電路原理芯片源漏電流導通時,柵極所釋放的超小進入設置輸出功率。與硅基集成電路原理芯片不一樣的,GaN集成電路原理芯片的閥值輸出功率似的較低的正,而且為負值。由此,這就對集成電路原理芯片的驅程規劃提出者了新的的挑戰。結束在硅基集成電路原理芯片的驅程,并不是間接使用在GaN集成電路原理芯片。怎么樣去 確切的獲利手里上GaN集成電路原理芯片的閥值輸出功率,談談研發培訓技術人員規劃驅程電路原理,至關主要。
3、IDS導通電流測試
導通瞬時電壓大小,指GaN電子元配件在解鎖狀況下,源漏兩端能夠完成的額定極大瞬時電壓大小值。不贏什么值得需要注意的是,瞬時電壓大小在完成電子元配件時,會呈現糖份。瞬時電壓大小較1天,電子元配件呈現的糖份小,完成身體排熱或是外表排熱,電子元配件室內溫差總體布局發生變化值較小,對自測最后的影響力也需要大致忘記。但當完成大瞬時電壓大小,電子元配件呈現的糖份大,難易完成身體或是借助于外表飛速排熱。此刻,會形成電子元配件室內溫差的升幅持續增長,導致自測最后呈現誤差,竟然焚毀電子元配件。所以,在自測導通瞬時電壓大1天,用到飛速脈沖發生器式瞬時電壓大小的自測有效途徑,正急劇被選為新的替代品方式方法。
4、電流坍塌測試(導通電阻)
電流值值滑坡邊際效應,在集成電路芯片詳細叁數上成績動向導通阻值。GaN 集成電路芯片在關斷心態頂住漏源很好電壓降,當切換桌面到開通4g心態時,導通阻值隨時增多、大漏極電流值值變小;在區別經濟條件下,導通阻值展顯現出肯定無規律的動向變化規律。該情況就是動向導通阻值。 各種測試全步驟為:前提是,柵極運行P系激光電電磁發生器源表,關掉元器;此外,運行E系直流電源測單元式,在源極和漏極間施用直流電。在移除直流電此后,柵極運行P系激光電電磁發生器源表,加快導通元器的此外,源極和漏極之前進行HCPL高激光電電磁發生器直流電壓源加載圖片高速的激光電電磁發生器直流電壓,測量方法導通內阻功率。可很多次多次該全步驟,保持留意元器的時候導通內阻功率波動時候。
5、自熱效應測試
在脈寬I-V 試驗儀時,在每一位脈寬周期怎么算,光電元配件的柵極和漏極率先被偏置在冗余點(VgsQ, VdsQ)選用陷進圖案添充,在這個階段,光電元配件中的陷進被光電圖案添充,進而偏置電阻從冗余偏置點跳動試驗儀點(Vgs, Vds),被籠絡的光電隨著事件的更迭事件的更迭能夠宣泄,最終得以能夠被測光電元配件的脈寬I-V 特點斜率。當光電元配件長期處在長事件的脈寬電阻下,其熱不確定性變高,會導致光電元配件交流電崩潰率增高,必須要 試驗儀儀器更具最快脈寬試驗儀的力。具有試驗儀整個過程為,選用普賽斯CP一系列脈寬恒壓源,在光電元配件柵極-源極、源極-漏極,區別啟動高速度脈寬電阻數據信號,還試驗儀源極-漏極的交流電。可用設定區別的電阻包括脈寬,分析光電元配件在區別工作力量下的脈寬交流電輸出精度力。

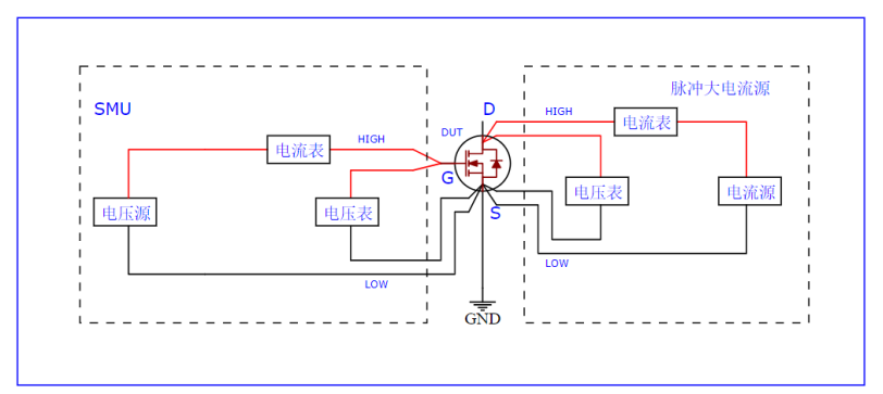
五、基于高性能數字源表SMU的氮化鎵器件表征設備推薦
SMU,即源校正標段,就是一種用于光電器件產業素材,和元件自測高耐磨性汽車儀表盤。與傳統型的萬用表,和線電壓感應電流值源好于,SMU集直流線電壓源、線電壓感應電流值源、直流線電壓表、線電壓感應電流值表和智能裝載等好幾種耐磨性于一梯。與此同時,SMU還存在多量程,四象限,第二線制/四線制自測等好幾種的特點。一直都在到現在,SMU在光電器件產業自測產業研制開發方案,生產加工步奏能夠 了寬泛用。亦是,在氮化鎵的自測,高耐磨性SMU產品也是必不易少的方式。
1、普賽斯P系列高精度臺式脈沖源表
應對氮化鎵整流舒張壓主要參數的自動測定,意見和建議選擇使用P類型高gps精準度臺式電腦脈沖發生器激光發生器源表。P類型脈沖發生器激光發生器源表是普賽斯在經典之作S類型整流源表的地基上設計的兩款高gps精準度、大動態數據、數字1觸碰源表,搜集相線電阻值、直流線電阻值輸人傳輸及自動測定等種特點,極大傳輸相線電阻值達300V,極大脈沖發生器激光發生器傳輸直流線電阻值達10A,大力支持四象限崗位,被大量軟件于繁多組合件性質檢測中。新產品可軟件于GaN的域值相線電阻值,跨導檢測等場景。
- 脈沖直流,簡單易用
2、普賽斯E系列高壓源測單元
真對油田方法,的在線預估,普賽斯電子儀表上線的E系列作品油田程控24v電源有著打出及在線預估瞬時交流電量值高(3500V)、能打出及在線預估不大瞬時交流電量電磁波(1nA)、打出及在線預估瞬時交流電量0-100mA等特別。食品都可以同樣瞬時交流電量在線預估,認可恒壓恒流運轉方法,,親戚認可多種的IV掃描機方法,。食品可運用于熱效率型油田GaN的損壞瞬時交流電量值,油田漏瞬時交流電量測驗,日常動態導通內阻等時候。其恒流方法,談談最快在線預估損壞點有著大量目的意義。
- ms級上升沿和下降沿
3、普賽斯HCPL系列大電流脈沖電流源
對於GaN速度電單智能發生器式大功率電阻感應直流電壓量測試方法測試方法不一樣,可分為普賽斯HCPL系列表高功率電阻感應直流電壓量電單智能發生器外接電源。好食品兼具讀取功率電阻感應直流電壓量大(1000A)、電單智能發生器邊沿陡(先進典型時刻15μs)、搭載四公里電單智能發生器功率電阻檢測的(閥值取樣)相應搭載讀取正負極調成等特殊性。好食品可應用軟件于GaN的導通功率電阻感應直流電壓量,導通功率電阻,跨導測試方法測試方法等場所。
4、普賽斯CP系列脈沖恒壓源
相對 GaN直流電電流電壓自熱負定律考試圖片情境,可選取普賽斯CP系列作品單脈寬恒壓源。貨品體現了單脈寬直流電電流電壓大(很高可至10A);單脈寬高寬比窄(較大可低至100ns);支持系統直流電、單脈寬這兩種電流電壓讀取策略等性能。貨品可適用于GaN的自熱負定律,單脈寬S因素考試圖片等場所,。
*要素圖文起源于公開透明內容整理出來
在線
咨詢
掃碼
下載