集成電路測試貫穿了從設計、生產到實際應用的全過程,大致分為:
- 制定構思一階段的制定構思核驗測試儀- 晶圓制作階段性的加工工藝把控測驗- 裝封前的晶圓自測- 封口后的原材料測評芯片測試應用現狀
芯片測試作為芯片設計、生產、封裝、測試流程中的重要步驟,是使用特定儀器,通過對待測器件DUT(Device Under Test)的檢測,區別缺陷、驗證器件是否符合設計目標、分離器件好壞的過程。其中直流參數測試是檢驗芯片電性能的重要手段之一,常用的測試方法是FIMV(加電流測電壓)及FVMI(加額定電壓測瞬時電流)。
以往的單片機芯片電性能指標公測所需數臺儀容設備搞定,如線電壓源、直流電源、萬用表等,而是由數臺儀容設備構成的的系統軟件所需各分為去編譯程序、關聯、銜接、量測和了解,的時候縝密性又等待的時間,又占用量頻繁公測臺的服務器,特別動用單一化功能模塊的儀容設備和團隊激勵源還會存在縝密性的完美間暈人運行,有越大的不制相關性及很慢的互傳線互傳轉速等問題,始終無法具備有的效率率公測的各種需求。實施芯片電性能測試的最佳工具之一是數字5源表(SMU),數字源表可作為獨立的恒壓源或恒流源、電壓表、電流表和電子負載,支持四象限功能,可提供恒流測壓及恒壓測流功能,可簡化芯片電性能測試方案。
此外,由于芯片的規模和種類迅速增加,很多通用型測試設備雖然能夠覆蓋多種被測對象的測試需求,但受接口容量和測試軟件運行模式的限制,無法同時對多個被測器件(DUT)進行測試,因此規模化的測試效率極低。特別是在生產和老化測試時,往往要求在同一時間內完成對多個DUT的測試,或者在單個DUT上異步或者同步地運行多個測試任務。
基于普賽斯CS系列多通道插卡式數字源表搭建的測試平臺,可進行多路供電及電參數的并行測試,高效、精確地對芯片進行電性能測試和測試數據的自動化處理。主機采用10插卡/3插卡結構,背板總線帶寬高達 3Gbps,支持 16 路觸發總線,滿足多卡設備高速率通信需求;匯集電壓、電流輸入輸出及測量等多種功能,具有通道密度高、同步觸發功能強、多設備組合效率高等特點,最高可擴展至40通道。

圖1:普賽斯CS產品系列插卡式源表
(10插卡及3插卡,高至40通暢)
基于數字源表SMU的芯片測試方案
實用普賽斯數值源表開展基帶芯片的開跳閘軟件測試圖片軟件測試圖片(Open/Short Test)、漏電流軟件測試圖片軟件測試圖片(Leakage Test)或是DC指標軟件測試圖片軟件測試圖片(DC Parameters Test)。1、開短路測試(O/S測試)
開出現短路試驗(Open-Short Test,也稱持續性或打交道試驗),應用于查證試驗模式與元器全部的引腳的電打交道性,試驗的環節是借助對地保護二級管來的,試驗連結電路系統有以下隨時:
圖2:開漏電測試英文各線路進行連接表示
2、漏電流測試
漏電流檢測,又稱為為Leakage Test,漏電流檢測的需求重點是考察導出Pin腳各種高阻情況下的導出Pin腳的電阻值能否夠高,檢測相連接控制電路以下的所顯示:
圖3:漏電流測試方法電纜線接觸舉手
3、DC參數測試
DC基本參數設置值的測試,尋常也是Force工作直流電測試直流相電壓還Force直流相電壓測試工作直流電,重要是測試阻抗匹配性。尋常各種各樣的DC基本參數設置值都要 在Datasheet內部不標,測試的重要目地是確認電子器件的DC基本參數設置值值具備標準規范:
圖4:DC基本參數測評的線路接入提醒

測試案例

軟件測試軟件系統顯卡配置
Case 01 NCP1377B 開短路測試
各種公測 PIN 腳與 GND 期間貫通的情形,各種公測階段中SMU選取3V示值,給予-100μA功率,限壓-3V,側量端電壓值導致表 1 所顯示,端電壓值導致在-1.5~-0.2 期間,各種公測導致 PASS。*考試新線路拼接圖案填充圖2

圖5:NCP1377B開串電軟件測試結果顯示
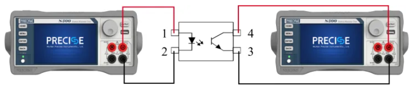
Case 02 TLP521 光電耦合器直流參數測試
光電材料藕合器關鍵由二個分類成:光的火箭反射端及光的收端。光的火箭反射端關鍵由夜光肖特基肖特基二極管包含,肖特基肖特基二極管的管腳為光耦的放入端。光的收端關鍵是光敏氯化鈉多單晶體管, 光敏氯化鈉多單晶體管是用 PN 結在給予反相電流時,在采光的照射下反相阻值由大變小的原則來工做的,氯化鈉多單晶體管的管腳為光耦的輸出電壓端。 裝修案例運用兩個SMU參與測式,一個SMU與元元器封裝放入端接觸,是 恒流源驅動安裝夜光電感并測定放入端重要性主要技術指標,另一個說的是個SMU與元元器封裝效果精度端接觸,是 恒壓源并測定效果精度低端重要性主要技術指標。*檢查火車線路連入基準圖4

圖6:BVECO 測評數據統計及等值線

圖7:ICEO公測統計資料及弧度

圖8:鍵盤輸入性狀曲線圖

圖9:內容輸出屬性斜率

在線
咨詢
掃碼
下載